Deutschland - Land wählen
Beijing Winner Optical Instrument Co.,Ltd.
  • Startseite
  • Produkte
  • Über Uns
  • Maßgeschneiderter Dienst
    • Produktionsfähigkeiten
    • Qualitätskontrolle
    • Referenzen
  • Video
  • Kontakt
  1. Startseite
  2. Produkte
  3. Optische Komponenten
  4. Optikhalter - Optische Komponenten
  5. Motorisierte Spiegelhalter
  6. WN01EM100 Motorisierte Spiegelhalter

WN01EM100 Motorisierte Spiegelhalter

Der motorisierte Spiegelhalter WN01EM100 wird mit feiner Gewindeschraube eingestellt und ist mit einem Schrittmotor und einer RS232 Schnittstelle ausgestattet. Die Linse wird durch Polytetrafluorethylen geschützt.
Die Einwegspiegel, die Linsen und die Spiegel mit verschiedenen Durchmessern können montiert werden. Das Produkt kann verwendet werden, um das Licht zu reflektieren und zu spalten sowie die Farben zu mischen. Das Produkt eignet sich vor allem für die Laserbearbeitung und die automatische Messung.

Eigenschaften
  • Der motorisierte Spiegelhalter ist mit einem Schrittmotor ausgestattet.
  • Das Produkt verfügt ober gute Stabilität. Die hochfestige Federrückstelleinrichtung kann an vielen Stellen installiert werden.
  • Die Mikrobewegung ist mit Kerbe entworfen.
  • Die Linse wird durch Polytetrafluorethylen geschützt.
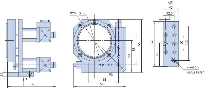
Modell WN01EM100
Neigungswinkel von zwei Achsen ±5°
Funktion θx,θy zweidimensionale Ausstellung
Durchmesser der Optik 100mm
Betriebsmethode M6X0.25 Antrieb durch Zwei-Achsen-Feingewindeschraube
Betriebsmethode Schrittmotor
Material Aluminiumlegierung
Behandlung der Oberfläche Schwarz eloxiert

Betreffende Produkte
  • WN120EM Motorisierte Spiegelhalter
  • WN01EM100 Motorisierte Spiegelhalter
  • Optikhalter, motorisierte Version
  • WN03EM100 Motorisierte Spiegelhalter
  • WN03EM50 Motorisierte Spiegelhalter
  • WN04EM(38.1-50.8) Motorisierte Spiegelhalter
Anfrageformular
Kontakt

Beijing Winner Optical Instrument Co.,Ltd.

Adresse: Floor 3, Block 6, Laser Industrial Park, Anshan High-Tech Zone, Liaoning Province
Tel.: +86-10-61509982
+86-10-61507993
Fax: +86-10-61569408

Andere Produkte
    1. Optische Stangenklemme
    2. Optische Stangenklemme
    1. Aluminium-Brotbrett
    2. Aluminium-Brotbrett
    1. Optischer Tisch
    2. Optischer Tisch
    1. WN01VD Optische Tische
    2. WN01VD Optische Tische
Produktliste
  • Bewegungskontrolle
    1. Motorisierte Positioniersystem
    2. Motorisierter Vakuum-Liniertisch
    3. Manuelle Lineartische
    4. Controller für motorisierte Lineartische
  • Optische Komponenten
    1. Stangen und Zubehör
    2. Optikhalter - Optische Komponenten
      1. Kinematische Spiegelhalter
      2. Motorisierte Spiegelhalter
      3. Kardanische Spiegelhalter
      4. Spiegelhalter
    3. Optikhalter
    4. Optische Schienen und Träger
    5. Irisblende
    6. Aufbau zur Strahlumlenkung - Optische Spiegelhalterung
  • Optischer Tisch
    1. Optischer Tisch
    2. Brotbretter
    3. Optischer Tisch
    4. Tischauflage für optische Tische
Tags
WN01EM100 Motorisierte Spiegelhalter Spiegelhalter
Startseite Produkte Über Uns Maßgeschneiderter Dienst Video KontaktDiscontinue
Supported by ETW International Inc. USA